Adaptador de brida rápida para tubería de PVC
El adaptador Quick Flange se utiliza principalmente en tuberías de PVC. Contiene una junta y un anillo de latón restringido (alternativo). Coloque el tubo en el cuerpo del adaptador de brida rápida y apriete los pernos; el anillo de latón sujetará el tubo para evitar que se salga. Se puede fabricar según perforaciones de brida especificadas, como BS4504, EN1092, ISO2531 PN10, 16, 25, 40 o perforaciones de brida ANSI. El rango de tamaño es de DN40 a DN400
"*"señala los campos obligatorios
Categorías: Juntas de tuberías, Brida Rápida para tubería de PVC/PE/DI
Etiquetas: Brida rápida, Adaptador
Descripción
Características:
- Presión de trabajo PN10 y PN16.
- Material de fundición dúctil GGG50 con revestimiento FBE.
- EPDM o EPDM +anillo de sellado de latón.
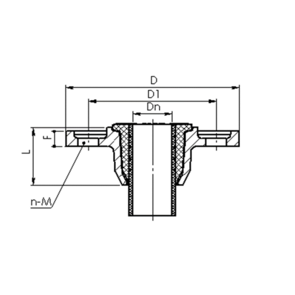
Dibujo:
Especificación de material:
| Artículo No. | Nombre del árticulo | Material |
| 1 | Cuerpo | Hierro dúctil |
| 2 | Anillo final | Hierro dúctil |
| 3 | Empaquetadura | Goma |
| 4 | Tornillo | Acero galvanizado |
| 5 | Lavadora | Acero galvanizado |
| 6 | Tuerca | Acero galvanizado |
| 7 | Gorra | El plastico |
Dimensiones (mm):
| DN | Diámetro exterior de la tubería | l | F | Perforación de bridas | ||
| PN10/16 | ||||||
| D | D1 | Nuevo Méjico | ||||
| 40 | 40 | 50 | dieciséis | 135 | 110 | 4×19 |
| 40/50 | 50 | 50 | dieciséis | 157 | 110/125 | 4×19 |
| 50/60/65 | 63 | 50 | dieciséis | 182 | 125/135/145 | 4×19 |
| 60/65 | 75 | 55 | 18 | 185 | 135/145 | 4×19 |
| 80 | 90 | 60 | 18 | 195 | 160 | 8×19 |
| 100 | 110 | 63 | 19 | 216 | 180 | 8×19 |
| 125 | 125 | 70 | 19 | 253 | 210 | 8×19 |
| 125 | 140 | 78 | 19 | 253 | 210 | 8×19 |
| 150 | 160 | 78 | 20 | 280 | 240 | 8×23 |
| 200 | 200 | 88 | 20 | 336 | 295 | 8×23/12X23 |
| 200 | 225 | 88 | 20 | 336 | 295 | 8×23/12X23 |
| 250 | 250 | 94 | 22 | 398 | 350/355 | 12X28 |
| 300 | 315 | 106 | 24 | 455 | 400/410 | 12×23/12X28 |
| 400 | 400 | 120 | 25 | 580 | 515/525 | 16X31 |
| 500 | 500 | 131 | 25 | 715 | 620/650 | 20X28.5/20X35 |

